製品情報 - 建築設備用製品
密閉式膨張タンク

設置自由度と経済性を兼ね備えた
衛生的な密閉式膨張タンク
密閉式膨張タンクは空調システムや給湯システムなので発生する温度変化による水の膨張、収縮を吸収するためのタンクです。
従来の開放式システムのようにタンクを屋上に設置する必要がなく設置場所の制約が少なく、外部からの、ほこり、異物等の侵入の心配がなく開放システムに比べ衛生的です。
当社の密閉式膨張タンクは本体(シェル)材質に耐久性の高いSUS304製とコストパフォーマンスに優れたSS製の2パターンをご用意しており、用途や予算に応じて柔軟に選択頂けます。
内部のブラダゴムは消耗品のため、使用頻度や圧力異常などにより劣化・破損が生じることがあります。
破損時は交換可能ですので万が一の際にはお気軽にお問い合わせください。
ステンレス製 仕様例
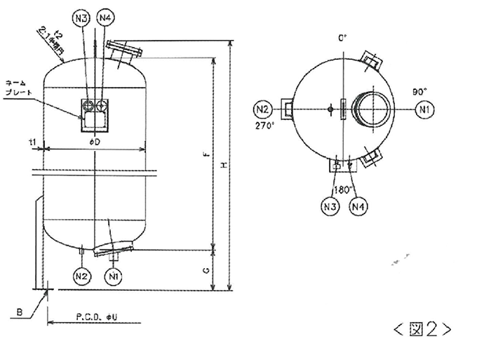
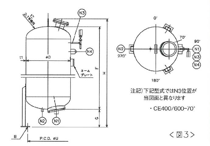
| 型式 | ブラダ容量 | 膨張タンク容量 | 最高使用圧力 | 概略重量 | 板厚 | タンク寸法 | 脚 | 全高 | 吊具 | アンカー位置 | アンカー穴 | 接続口 | エアードレン口 | 圧力計口 | 加圧口 | 図 | |
|---|---|---|---|---|---|---|---|---|---|---|---|---|---|---|---|---|---|
| ℓ | ℓ | MPa | kg | t1/t2 | фD | F | G | H | P | P.C.DфU | B | N1 | N2 | N3 | N4 | ||
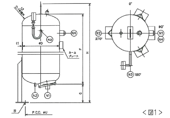
| CE30/60 | 30 | 60 | 0.59 | 60 | 3.2/3.2 | 350 | 692 | 300 | 1095 | アリ | 300 | 3-ф20 | 25A | 15A | 10A | 6A | 1 |
| CE50/100 | 50 | 100 | 0.59 | 70 | 3/3 | 350 | 1102 | 300 | 1505 | アリ | 300 | 3-ф21 | 25A | 15A | 10A | 6A | 2 |
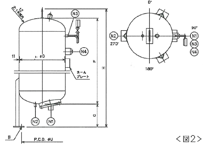
| CE70/180 | 70 | 180 | 0.59 | 95 | 3/3 | 500 | 1006 | 350 | 1459 | アリ | 450 | 3-ф21 | 40A | 15A | 10A | 6A | 2 |
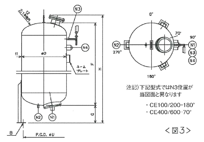
| CE100/200 | 100 | 200 | 0.59 | 100 | 3/3 | 600 | 812 | 350 | 1268 | アリ | 550 | 3-ф21 | 40A | 15A. | 10A | 6A | ※3 |
| CE150/260 | 150 | 260 | 0.59 | 105 | 3/3 | 600 | 1025 | 350 | 1481 | アリ | 550 | 3-ф21 | 40A | 15A | 10A | 6A | 3 |
| CE150/300 | 150 | 300 | 0.59 | 115 | 3/3 | 600 | 1166 | 350 | 1622 | アリ | 550 | 3-ф21 | 40A | 15A | 10A | 6A | 3 |
| CE150/360 | 150 | 360 | 0.59 | 125 | 3/3 | 600 | 1378 | 350 | 1834 | アリ | 550 | 3-ф21 | 40A | 15A | 10A | 6A | 3 |
| CE200/400 | 200 | 400 | 0.59 | 130 | 3/3 | 600 | 1519 | 350 | 1975 | アリ | 550 | 3-ф21 | 40A | 15A | 10A | 6A | 3 |
| CE200/500 | 200 | 500 | 0.59 | 150 | 3/3 | 600 | 1870 | 350 | 2326 | アリ | 550 | 3-ф21 | 40A | 15A | 10A | 6A | 3 |
| CE400/600 | 400 | 600 | 0.78 | 180 | 5/4 | 800 | 1338 | 350 | 1792 | アリ | 750 | 3-ф21 | 40A | 15A | 10A | 6A | ※3 |
| CE400/800 | 400 | 800 | 0.78 | 240 | 5/4 | 800 | 1738 | 350 | 2191 | アリ | 750 | 3-ф21 | 40A | 15A | 10A | 6A | 3 |
| CE600/1000 | 600 | 1000 | 0.78 | 270 | 5/4 | 950 | 1582 | 350 | 2035 | アリ | 900 | 3-ф21 | 40A | 15A | 10A | 6A | 3 |
| CE1000/1400 | 1000 | 1400 | 0.78 | 480 | 8/5 | 1200 | 1439 | 350 | 2009 | アリ | 1150 | 4-ф21 | 50A | 25A | 10A | 6A | ※4 |
| CE1000/1600 | 1000 | 1600 | 0.78 | 515 | 8/5 | 1200 | 1618 | 350 | 2188 | アリ | 1150 | 4-ф21 | 50A | 25A | 10A | 6A | 4 |
| CE1400/2000 | 1400 | 2000 | 0.78 | 600 | 8/6 | 1350 | 1627 | 350 | 2230 | アリ | 1300 | 4-ф25 | 50A | 25A | 10A | 6A | ※4 |
| CE1400/2800 | 1400 | 2800 | 0.78 | 810 | 8/6 | 1350 | 2190 | 350 | 2230 | アリ | 1300 | 4-ф25 | 50A | 25A | 10A | 6A | ※4 |
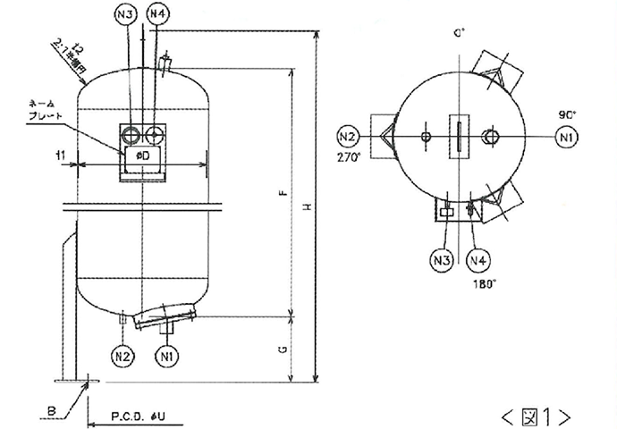
| CE2000/3000 | 2000 | 3000 | 0.78 | 360 | 8/6 | 1500 | 1956 | 350 | 2570 | アリ | 1450 | 4ーф25 | 80A | 25A | 10A | 6A | 4 |
| CE2000/4000 | 2000 | 4000 | 0.78 | 1040 | 8/6 | 1500 | 2537 | 350 | 3150 | アリ | 1450 | 4-ф25 | 80A | 25A | 10A | 6A | 4 |
- 第二種圧力容器検査合格品
- シェルは、SUS304製
- 連統最高使用温度95°C
- 出荷時予圧
予圧圧力の指定がある場合 :
指定圧力 +0.049MPa
予圧圧力の指定がない場合 :
最高使用圧力の 1/2 +0.098MPa
設置後、予圧圧力に調整をお願い致します。 - 仕様は予告なく変更することがあります。
- Dが1,200以上の場合は、脚が4本になります
注意事項
- タンク内の予圧空気が抜けた場合は、加圧口カバー(N5)のブラグを取り外し、加圧口(N4)よりコンプレッサーにて所定圧力(計算により決定した圧力)に加圧して下さい。
- 弊社にて圧力計+バルブ+サイホン管のユニットを圧力計口(N3)に組付けの上、予圧して納品致します。ただし、納入場所が遠隔地あるいは輸送上の不都合がある場合は、圧力計のみ別梱包とします。
尚、附属品は下記形式を標準とします。
- 圧力計AU形✕3
- サイホン管U形(SGP)
- バルブねじ込玉型弁(マレブル)又はメートルコック(BC)
鉄板製 仕様例
| 型式 | ブラダ容量 | 膨張タンク容量 | 最高使用圧力 | 概略重量 | 板厚 | タンク寸法 | 脚 | 全高 | 吊具 | アンカー位置 | アンカー穴 | 接続口 | エアードレン口 | 圧力計口 | 加圧口 | 図 | |
|---|---|---|---|---|---|---|---|---|---|---|---|---|---|---|---|---|---|
| ℓ | ℓ | MPa | kg | t1/t2 | фD | F | G | H | P | P.C.DфU | B | N1 | N2 | N3 | N4 | ||
| CE30/60 | 30 | 60 | 0.59 | 60 | 3.2/3.2 | 350 | 692 | 300 | 1095 | アリ | 300 | 3-ф20 | 25A | 15A | 10A | 6A | 1 |
| CE50/100 | 50 | 100 | 0.59 | 70 | 3.2/3.2 | 350 | 1107 | 300 | 1510 | アリ | 300 | 3-ф20 | 25A | 15A | 6A | 6A | 1 |
| CE70/180 | 70 | 180 | 0.59 | 70 | 4.5/3.2 | 500 | 1015 | 350 | 1468 | アリ | 450 | 3-ф20 | 40A | 15A | 6A | 6A | 1 |
| CE100/200 | 100 | 200 | 0.59 | 100 | 4.5/4.5 | 600 | 817 | 350 | 1273 | アリ | 550 | 3-ф20 | 40A | 15A. | 6A | 6A | 2 |
| CE150/260 | 150 | 260 | 0.59 | 115 | 4.5/4.5 | 600 | 1030 | 350 | 1486 | アリ | 550 | 3-ф20 | 40A | 15A | 6A | 6A | 2 |
| CE150/300 | 150 | 300 | 0.59 | 125 | 4.5/4.5 | 600 | 1171 | 350 | 1627 | アリ | 550 | 3-ф20 | 40A | 15A | 6A | 6A | 2 |
| CE150/360 | 150 | 360 | 0.59 | 140 | 4.5/4.5 | 600 | 1383 | 350 | 1839 | アリ | 550 | 3-ф20 | 40A | 15A | 6A | 6A | 2 |
| CE200/400 | 200 | 400 | 0.59 | 150 | 4.5/4.5 | 600 | 1525 | 350 | 1981 | アリ | 550 | 3-ф20 | 40A | 15A | 6A | 6A | 2 |
| CE200/500 | 200 | 500 | 0.59 | 175 | 4.5/4.5 | 600 | 1878 | 350 | 2335 | アリ | 550 | 3-ф20 | 40A | 15A | 6A | 6A | 2 |
| CE400/600 | 400 | 600 | 0.78 | 300 | 9/6 | 800 | 1354 | 350 | 1810 | アリ | 750 | 3-ф25 | 40A | 15A | 10A | 6A | ※3 |
| CE400/800 | 400 | 800 | 0.78 | 375 | 9/6 | 800 | 1757 | 350 | 2213 | アリ | 750 | 3-ф25 | 40A | 15A | 10A | 6A | 3 |
| CE600/1000 | 600 | 1000 | 0.78 | 395 | 9/6 | 950 | 1597 | 350 | 2051 | アリ | 900 | 3-ф25 | 40A | 15A | 10A | 6A | 3 |
| CE1000/1400 | 1000 | 1400 | 0.78 | 625 | 9/9 | 1200 | 1456 | 350 | 2056 | アリ | 1150 | 4-ф25 | 50A | 25A | 10A | 6A | ※4 |
| CE1000/1600 | 1000 | 1600 | 0.78 | 675 | 9/9 | 1200 | 1633 | 350 | 2233 | アリ | 1150 | 4-ф25 | 50A | 25A | 10A | 6A | 4 |
| CE1400/2000 | 1400 | 2000 | 0.78 | 845 | 12/9 | 1350 | 1650 | 350 | 2250 | アリ | 1300 | 4-ф25 | 50A | 25A | 10A | 6A | ※4 |
| CE1400/2800 | 1400 | 2800 | 0.78 | 1080 | 12/9 | 1350 | 2214 | 350 | 2814 | アリ | 1300 | 4-ф25 | 50A | 25A | 10A | 6A | ※4 |
| CE2000/3000 | 2000 | 3000 | 0.78 | 1090 | 12/9 | 1500 | 1976 | 350 | 2586 | アリ | 1450 | 4ーф25 | 80A | 25A | 10A | 6A | 4 |
| CE2000/4000 | 2000 | 4000 | 0.78 | 1345 | 12/9 | 1500 | 2546 | 350 | 3156 | アリ | 1450 | 4-ф25 | 80A | 25A | 10A | 6A | 4 |
- 第二種圧力容器検査合格品
- シェルは、SS400製
- 連統最高使用温度95°C
- 出荷時予圧
予圧圧力の指定がある場合 :
指定圧力 +0.049MPa
予圧圧力の指定がない場合 :
最高使用圧力の 1/2 +0.098MPa
設置後、予圧圧力に調整をお願い致します。 - 仕様は予告なく変更することがあります。
- Dが1,200以上の場合は、脚が4本になります
注意事項
- タンク内の予圧空気が抜けた場合は、加圧口カバー(N5)のブラグを取り外し、加圧口(N4)よりコンプレッサーにて所定圧力(計算により決定した圧力)に加圧して下さい。
- 弊社にて圧力計+バルブ+サイホン管のユニットを圧力計口(N3)に組付けの上、予圧して納品致します。ただし、納入場所が遠隔地あるいは輸送上の不都合がある場合は、圧力計のみ別梱包とします。
尚、附属品は下記形式を標準とします。
- 圧力計AU形✕3
- サイホン管U形(SGP)
- バルブねじ込玉型弁(マレブル)又はメートルコック(BC)







