製品情報 - 水道事業用製品
ステンレス給水タンク

近年多発する災害では、多くのライフラインが壊滅し、復旧には長い時間を要しています。
その中で、給水タンクは飲料水の運搬用タンクとして各地で採用され、その有用性が実証されました。
災害後は、各自治体様から多くのお問い合わせをいただき、緊急時における給水体制の再構築に貢献しています。
ステンレス給水タンクは、ステンレス製による高い耐久性と衛生性を備えており、複数の容量のラインナップによりお客様のニーズや配置計画に応じて柔軟な対応が可能です。
ステンレス給水タンクの特徴
-
特徴 1
簡単
手軽に積載でき、すぐに給水が可能です。
-
特徴 2
清潔
汚れにくく清掃も容易にできます。
-
特徴 3
便利
いつでもどこへでも運搬可能です。
-
特徴 4
丈夫
耐久性が高いので長期間使用が可能です。
ステンレス給水タンクの構造
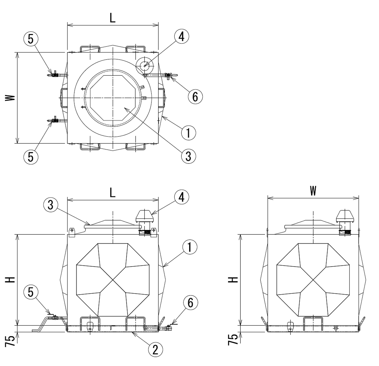
寸法図

仕様
| 番号 | 名称 | 材質 | 口径 | 数値 | 備考 |
|---|---|---|---|---|---|
| 1 | 本体 | SUS444 | 1 | ||
| 2 | 架台 | SS400+Zn | 1 | C75×40×5×7 | |
| 3 | マンホール | SUS444 | φ600 | 1 | |
| 4 | 通気口 | ABS | 100A | 1 | 防虫網付 |
| 5 | 給水口 | SUS304 | 20A | 2 | ボールバルブ付 |
| 6 | 排水口 | SUS304 | 25A | 1 | ボールバルブ付 |
※番号は寸法図を参照してください
仕様
| 呼称容積(ℓ) | 本体寸法(m)W×L×H | 本体重量(kg) |
|---|---|---|
| 1000 | 1×1×1 | 117 |
| 1500 | 1×1.5×1 | 155 |
| 2000 | 1×2×1 | 200 |
※仕様は予告なく変更することがあります